Voici la partie 9 d’un ensemble d’exercices gratuits de dessin pour les débutants à pratiquer et améliorer votre “dextérité” avec AutoCAD ou autre logiciel CAD. En plus vous avez un Ebook en PDF à télécharger gratuitement
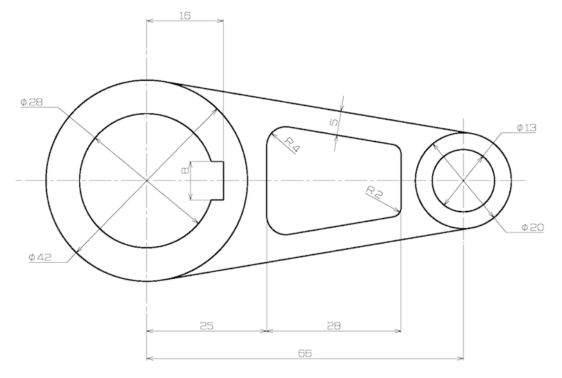
Exercice 1:

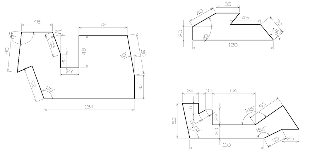
Exercice 2:

Exercice 3:

Exercice 4:

Exercice 5:
